
Postoji mnogo osnovnih parametara za sačmarenje. Uobičajeni uključuju intenzitet sačmarenja (zahtjevi za sačmarenje i sačmarenje u kontroli parametara su isti, pa se sačmarenje koristi za predstavljanje i sačmarenja i sačmarenja u sljedećem tekstu), pokrivenost sačmarenjem, hrapavost površine obratka i čistoća površine obratka.
2025-12-11 09:43:21
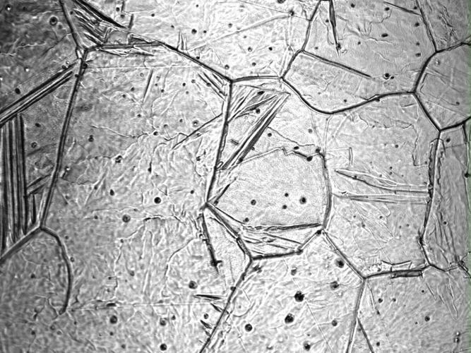
Ilustracija prikazuje tipičnu morfologiju mikrostrukture nodularnog lijeva. Crne točke na slici predstavljaju "sferni grafit" lamelarne strukture; crne mrlje predstavljaju "perlit"; svijetla i ujednačena struktura formirana oko područja siromašnih ugljikom sfernog grafita na slici je "ferit".
2025-12-11 09:41:34
Želio bih s vama podijeliti tehničku literaturu "Pregled keramičkih kalupa za lijevanje superlegura nikla metodom preciznog lijevanja", koja je vjerojatno trenutno najopsežniji pregled istraživanja keramičkih ljuski.
2025-12-11 09:36:40
Ojačanje metala uključuje ojačanje krutom otopinom, ojačanje deformacijom i disperzijsko ojačanje. Slijedi uvod u disperzijsko ojačanje.
2025-12-04 18:08:45
Tehnologija oblikovanja kovanih magnezijevih legura mijenja mikrostrukturu magnezijevih legura metodama obrade plastike kao što su ekstruzija, valjanje i kovanje, značajno poboljšavajući njihova mehanička svojstva poput čvrstoće i duktilnosti. Ova tehnologija je prikladna za proizvodnju strukturnih komponenti s visokim zahtjevima za pouzdanost, kao što su automobilske šasije i lopatice zrakoplovnih motora. Međutim, zbog heksagonalne gusto pakirane kristalne strukture magnezijevih legura, one imaju samo jedan klizni sustav na sobnoj temperaturi, što rezultira izuzetno lošom plastičnošću. Stoga se magnezijeve legure obično zagrijavaju na 200 - 450 ℃ za vruću obradu kako bi se poboljšala njihova oblikovljivost. Tehnologija oblikovanja kovanih magnezijevih legura uglavnom uključuje sljedeće vrste:
2025-12-04 18:06:29
U područjima strojarskog dizajna, proizvodnje opreme, prijenosnih sustava i nestandardne automatizacije, čelik 45, 40Cr i 42CrMo su tri najčešće korištena konstrukcijska čelika. Iako se na prvi pogled mogu činiti sličnima, njihov kemijski sastav, mehanička svojstva, reakcije na toplinsku obradu i scenariji primjene prilično su različiti. Odabir pogrešnog materijala može u najboljem slučaju dovesti do skraćenog vijeka trajanja, a u najgorem do izravnog kvara. Ovaj članak sustavno analizira razlike među ta tri čelika s gledišta inženjerske primjene i govori vam kako napraviti pravi odabir.
2025-12-04 18:02:25
Toplinska obrada važna je metoda za poboljšanje performansi metalnih materijala. Hladna obrada, kao proširenje i dodatak toplinskoj obradi, igra značajnu ulogu u povećanju tvrdoće, vlačne čvrstoće i dimenzijske stabilnosti obradaka. Ovaj članak uglavnom predstavlja osnovne principe, tijek procesa, primjenjive materijale i područje primjene hladne obrade.
2025-12-03 15:23:51
Toplinska obrada za ublažavanje naprezanja provodi se na ključnim komponentama za obradu (tj. onima sklonima deformacijama ili dijelovima velikih dimenzija), posebno kalupima. Ublažavanje naprezanja provodi se na temperaturi od približno 550 °C do 660 °C. Obično se nanosi prije kaljenja, s ciljem minimiziranja napetosti, ali se preporučuje i nakon završne mehaničke obrade. Žarenje se obično izvodi na obrađenim dijelovima sirovina kako bi se dobila struktura s niskom tvrdoćom, dobrom hladnom plastičnošću i dobrim performansama obrade za alatne strojeve. Konkretno:
2025-12-03 15:22:54
Kako bismo proizveli dijelove od lijevanog nodularnog lijeva sa stabilnim performansama uz nisku cijenu, naša je tvrtka jednom surađivala sa sveučilištem kako bi provela istraživanje o lijevanom nodularnom lijevu legiranom bakrom i manganom. Rezultati su te godine objavljeni u časopisu "Foundry".
2025-12-03 15:12:59
Zbog slabe toplinske vodljivosti, visokog udjela legure, uskog raspona temperature kovanja i velike poteškoće obrade nehrđajućeg čelika 9Cr18Mo, vrlo je lako uzrokovati grubu strukturu kovanja i dvojnu strukturu zbog pretjerano visoke temperature kovanja i predugog vremena držanja. Dvojna struktura ima izuzetno jaku nasljednost i stabilnost te ju je teško ukloniti žarenjem i kaljenjem. Stoga su provedena procesna ispitivanja na dijelovima ležajeva od nehrđajućeg čelika 9Cr18Mo s kovanom dvojnom strukturom kako bi se proučila izvedivost uklanjanja kovane dvojne strukture dijelova ležajeva od nehrđajućeg čelika 9Cr18Mo metodama toplinske obrade.
2025-12-01 14:30:57
PVD (fizičko taloženje iz pare, fizička depozicija iz pare) je tehnologija premazivanja koja nanosi filmove na površinu podloge pretvaranjem izvora materijala (cilja) u plinovite čestice (atome, molekule ili ione) fizičkim metodama u vakuumskom okruženju. Osnovni princip je korištenje vakuumskih uvjeta za smanjenje raspršenja molekula plina na nanesenim česticama, omogućujući česticama da se kreću ravno prema podlozi, čime se postiže kontrolirani rast filma.
2025-12-01 14:13:42
Uobičajeni nedostaci kaljenja čelika i preventivne mjere
2025-12-01 13:39:17
367

